AGÆì½¢Ìü

jane@akelc.com | ³É¶¼»á³É»ªÇøÑò×Óɽ·68ºÅ¶«Á¢¹ú¼Ê¹ã³¡4-1-1733ºÅ
028-83508619? 028-83261996? 028-83199128
ÇëÊäÈëËÑË÷Òªº¦×Ö£º

²úÆ·ÖÐÐÄ

²úÆ·ÏêÇé
AQMD2403NS-M2BÖ±Á÷ÓÐË¢µç»ú£¨ËÅ·þ£©Çý¶¯Æ÷
AQMD2403NS-M2BÖ±Á÷ÓÐË¢µç»ú£¨ËÅ·þ£©Çý¶¯Æ÷

ËùÊô·ÖÀֱࣺÁ÷ÓÐË¢µç»úÇý¶¯Æ÷

ËùÊôϵÁУºËÅ·þ¶¨Î»ÏµÁÐ

¸üÐÂÈÕÆÚ£º2023-05-08

1¡¢º£±¨Í¼.jpg    1660039610881930.jpg

²úÆ·ÐÅÏ¢

Æ·ÅÆ£º°¬Ë¼¿Ø

ÐͺţºAQMD2403NS-M2B

µçѹ¹æÄ££º9-24V

¶î¶¨µçÁ÷£º3A

×î´óµçÁ÷£º6A(±¶Á÷)/4A(·Ç±¶Á÷)

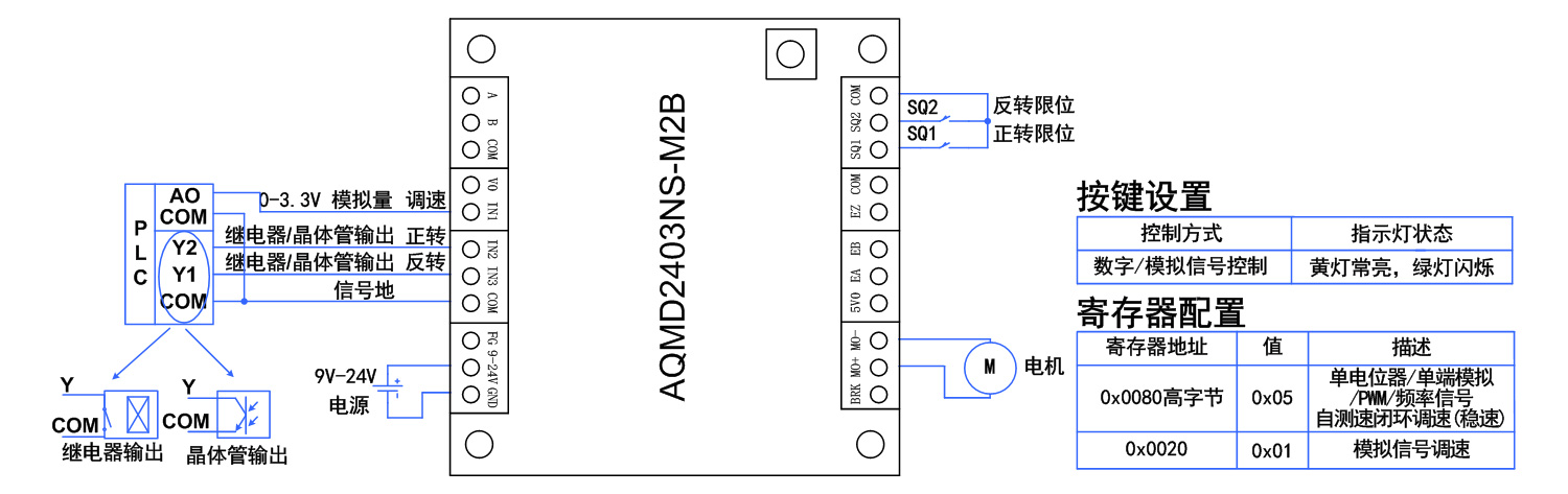
¿ØÖÆÐźţºµçλÆ÷¡¢Ä£ÄâÁ¿¡¢PWM/ƵÂÊ/Âö³å¡¢¿ª¹Ø/°´¼ü¡¢RS485

µ÷ËÙ·½·¨£ºÕ¼¿Õ±È¡¢Á¦¾Ø¿ØÖÆ¡¢×Ô²âËÙ/Íâ½Ó²âËÙ±Õ»·µ÷ËÙ¡¢Íâ½Ó±àÂëÆ÷λÖÿØÖÆ

ÊÊÓõç»ú£ºÖ±Á÷ÓÐË¢µç»ú

×î´óÆ¥Åäµç»ú£º24V-50W, 12V-18W

3¡¢²úƷͼ800-800.jpg

¡¡¡¡AQMD_NS-M2BϵÁеç»úÇý¶¯Æ÷ʹÓÃÏȽøµÄµç»ú»ØÂ·µçÁ÷׼ȷ¼ì²âÊÖÒÕ¡¢Ö±Á÷ÓÐË¢ËÅ·þµç»úʵʱËÙÂʺÍλÖüì²âÊÖÒÕ¡¢ÔÙÉúµçÁ÷ºãµçÁ÷ÖÆ¶¯(»ò³ÆÉ²³µ)ÊÖÒÕºÍǿʢµÄPIDµ÷ÀíÊÖÒÕ£¬¿ÉÍêÉÆµØ¿ØÖƵç»úÆô¶¯¡¢Öƶ¯(ɲ³µ)¡¢»»ÏòÀú³ÌºÍ¶Âת±£»¤ ¡£µç»úÏìӦʱ¼ä¶Ì£¬ÇÒ·´³åÁ¦Ð ¡£»Î»ÖÿØÖƾ«×¼Ñ¸ËÙ£»Êä³öµçÁ÷ʵʱ¼à¿Ø±ÜÃâ¹ýÁ÷£¬ÓÐÓñ£»¤µç»úºÍÇý¶¯Æ÷ ¡£
1660039688514843.jpg

¹¦Ð§Ìصã

¡ô µçѹ¹æÄ£9~24V£¬¶î¶¨µçÁ÷3A£¬×î´óµçÁ÷£º6A(±¶Á÷)/4A(·Ç±¶Á÷);
¡ô µ¥/Ë«µçλÆ÷¡¢0~3.3VÄ£ÄâÐźÅÓëTTLµçƽ¡¢-3.3~+3.3V²î·ÖÄ£ÄâÐźš¢¿ª¹ØÁ¿¡¢PWM/ƵÂÊ/Âö³å¡¢RS485¶àÖÖÊäÈëÐźÅ£»
¡ô PWMµ÷ËÙ(µ÷ѹ)¡¢Á¦¾Ø¿ØÖÆ(ÎÈÁ÷)¡¢×Ô²âËÙ/Íâ½Ó²âËÙ±Õ»·µ÷ËÙ(ÎÈËÙ)¡¢Íâ½Ó±àÂëÆ÷λÖÿØÖÆ£¨¾àÀë/½Ç¶È¿ØÖÆ£©¶àÖÖÊÂÇéģʽ£»
¡ô µç»úµçÁ÷PIDµ÷Àí£¬×î´ó¸ºÔØ/ÖÆ¶¯µçÁ÷¿ÉÉèÖ㬵ç»úÆô¶¯/ÖÆ¶¯/»»Ïòʱ¼ä¶Ì¡¢¹¥»÷Á¦Ð ¡£»
¡ô Ö§³Ö¼Ó¼õËÙ»º³åʱ¼äÓë¼Ó¼õËÙ¼ÓËÙÂÊ¿ØÖÆ£¬¿ÉÔÚÖ¸¶¨ÐгÌÄÚ×Ô¶¯¼Ó¼õËÙ²¢¾«×¼¶¨Î»£»
¡ô ¿ÉÍâ½ÓÁ½¸öÏÞλ¿ª¹Ø·Ö¶ÔÕý·´×ªÏÞλ£»
¡ô Ö§³ÖÇý¶¯Æ÷ÄÚ²¿Î¶ȼì²â£¬¿ÉÉèÖùýÈȱ£»¤Î¶È£»
¡ô Ö§³Ö±¶Á÷Êä³ö£¬Æô¶¯¡¢´ó¸ºÔØÊ±¿É¶¦Á¦´ó¾Ù¾ØÊä³ö£»
¡ô Ö§³ÖÇý¶¯Æ÷µçÔ´µçѹ¼à²â£¬¿ÉÉèÖùýѹ/Ƿѹ¹Ø¶Ï¼ì²âÖµ£»
¡ô µç»ú¹ýÔØºÍ¶ÂתÏÞÁ÷£¬±ÜÃâ¹ýÁ÷Ë𻵵ç»ú£¬Ö§³Ö¶ÂתÏÞλͣת£»
¡ô Ö§³Ö485¶àÕ¾µãͨѶ£¬Àû±ã¶àÖÖ¿ØÖÆÆ÷(È絥Ƭ»ú¡¢PC»ú»òPLC)¿ØÖÆ£¬Ö§³ÖͨѶÖÐֹͣת±£»¤£»
¡ô ¼«Ð¡µÄPWMËÀÇø£¬½ö0.5us£¬PWMÓÐÓùæÄ£0.1%~98%£»
¡ô 20kHzµÄPWMƵÂÊ£¬µç»úµ÷ËÙÎÞPWMÏùÌäÉù£»
¡ô ʹÓÃARM Cortex-M3/M4´¦Öóͷ£Æ÷ ¡£

5¡¢µçÁ÷ËÙÂÊλÖÃ.jpg

²úÆ·ÌØÉ«

¡ñ ¼æÈݶàÖÖ¿ØÖÆÐźźͶàÖÖ¿ØÖÆ·½·¨

¡¡¡¡Ö§³ÖµçλÆ÷¡¢Ä£ÄâÁ¿¡¢PWM/ƵÂÊ/Âö³å¡¢485¶àÖÖ¿ØÖÆÐźÅ£¬Ö§³Öµç»ú¿ª»·µ÷ËÙ¡¢×Ô²âËÙ/Íâ½Ó²âËÙ±Õ»·µ÷ËÙ¡¢Íâ½Ó±àÂëÆ÷λÖÿØÖÆ¡¢Á¦¾Ø¿ØÖƶàÖÖÊÂÇéģʽ ¡£
6¡¢¼æÈݶàÖÖ¿ØÖÆÐźźͷ½·¨.jpg

¿ª»·µ÷ËÙ£ºÕ¼¿Õ±Èµ÷ËÙ£¬×îͨË׵ĵ÷ËÙ·½·¨£¬¾ßÓÐÏìÓ¦¿ì¡¢µ÷ËÙ²Ù×÷¼òÆÓµÄÌØµã ¡£
×Ô²âËÙ±Õ»·µ÷ËÙ£ºÎÞÐë²âËÙ×°ÖÃÒ²¿ÉʵÏÖµç»úתËÙÕÉÁ¿ºÍ±Õ»·µ÷ËÙ£¬ÊÊÓÃÓÚÖеÍËÙ ¡£
Íâ½Ó²âËÙ±Õ»·µ÷ËÙ£ºÍâ½Ó²âËÙ·¢µç»ú/±àÂëÆ÷·´Ïìµç»úתËÙ£¬ÎÈËÙÏìÓ¦¿ì¡¢¿É¿¿ÐÔ¸ß ¡£
Á¦¾Ø¿ØÖÆ£ºÖ÷ÒªÓÃÓÚµ÷Àíµç»ú¶ÂתʱµÄÁ¦¾Ø£¬È缷ѹÎïÌåµÄÁ¦¶È¿ØÖÆ ¡£
λÖñջ·¿ØÖÆ£ºÊ¹ÓøßЧµÄËÅ·þ¶¨Î»Ë㷨ʵÏÖλÖÃʵʱ¡¢¾«×¼¿ØÖÆ ¡£

¡ñ ËÅ·þ¶¨Î»¾«×¼Ñ¸ËÙ

¡¡¡¡Çý¶¯Æ÷ÏȽøµÄËÅ·þ¶¨Î»Ëã·¨¿É¿ØÖƵç»úƾ֤¸ø¶¨µÄ¼ÓËÙÂʺÍ×î´óËÙÂÊÆ¾Ö¤Å£¶ÙÔ˶¯¶¨ÂÉÔÚÆéá«ËÙÔËÐÐÇéÐÎϾùÄܾ«×¼¶¨Î» ¡£
7¡¢ËÅ·þ¶¨Î».jpg

¡ñ ¿É¶¦Á¦´ó¾Ù¾ØÆô¶¯ Çå¾²³¬ÔØ

¡¡¡¡Ö§³Ö±¶Á÷Êä³ö£¬´Ó¶øÊµÏÖÖÁ¶à2±¶¶î¶¨Á¦¾ØÆô¶¯ºÍ2±¶¶î¶¨Á¦¾Ø³¬ÔØÔËÐУ»¿ÉÉ趨±¶Á÷ʱ¼ä£¬±ÜÃâµç»ú³¤Ê±¼ä³¬ÔØÔËÐжøË𻵣»Í¬Ê±£¬Çý¶¯Æ÷¶ÔÄÚ²¿Î¶Èʵʱ¼à¿Ø£¬µ±Î¶ȵִïÉ趨ֵʱ£¬½ûÓñ¶Á÷»ò¹Ø¶ÏÊä³ö£¬´Ó¶ø±£»¤Çý¶¯Æ÷ ¡£
8¡¢¶¦Á¦´ó¾Ù¾ØÆô¶¯.jpg

¡ñ ×Ô²âËÙÎÈËÙ¿ØÖÆ

¡¡¡¡Çý¶¯Æ÷Ö§³Ö×Ô²âËÙ±Õ»·µ÷ËÙºÍÍâ½Ó²âËÙ·¢µç»ú/±àÂëÆ÷/Âö³å·´ÏìÐźűջ·µ÷ËÙ ¡£Ê¹ÓÃ×Ô²âËÙÎÈËÙ¿ØÖÆ·½·¨£¬¹ØÓÚ¿ÕÔØµçÁ÷´óÓÚ0.5AµÄµç»ú£¬ÎÞÐè²âËÙ×°Ö㬱¾Çý¶¯Æ÷Ò²¿ÉʵÏÖÎÈËÙ ¡£
9¡¢×Ô²âËÙÎÈËÙ¿ØÖÆ.jpg

¡ñ Íâ½Ó±àÂëÆ÷±Õ»·¿ØÖÆ

¡¡¡¡Çý¶¯Æ÷Ö§³ÖÍâ½Ó±àÂëÆ÷±Õ»·µ÷ËÙºÍλÖÿØÖÆ ¡£Íâ½Ó±àÂëÆ÷±Õ»·¿ØÖÆ·½·¨¾ßÓÐÎÈËٺͶ¨Î»ÏìÓ¦¿ì¡¢¾«¶È¸ß¡¢¸ÕÐÔÇ¿µÄÌØµã ¡£

10¡¢Íâ½Ó±àÂëÆ÷±Õ»·¿ØÖÆ.jpg

¡ñ Àο¿Çø¼äÍù¸´Ô˶¯¿ØÖÆ

¡¡¡¡Ö§³ÖÕý·´×ªÏÞλ£¬Ö§³Öµã¶¯ºÍ³¤¶¯Á½ÖÖ²Ù×÷·½·¨¿ØÖƵç»úÊÖÄîͷеװÖÃÔÚÀο¿Çø¼äÄÚÍù¸´Ô˶¯£¬Ò²¿Éͨ¹ýÉ趨Õý·´×ªËÙÂʽ«Õý·´×ªËÙÂʼá³Öµ½Çý¶¯Æ÷ÖУ¬´Ó¶øÊ¡µôÍâ½ÓµçλÆ÷ ¡£
1660039789682963.jpg

¡ñ ×Ô½ç˵Àú³Ì¿ØÖÆ

¡¡¡¡¹ØÓÚͨÀýµÄÔ˶¯Àú³Ì¿ØÖÆ£¬¿Éͨ¹ýÒ»¶Î×Ô½ç˵Àú³Ì¾ç±¾ÊµÏÖÔ˶¯Àú³ÌÂß¼­¿ØÖÆ£¬´Ó¶øÊ¡µôPLCÕâÑùµÄÂß¼­¿ØÖÆÆ÷ ¡£
1660039800142040.jpg

¡ñ 485¹²Ä£µçѹ±£»¤

¡¡¡¡RS485¹²Ä£µçѹ±£»¤£¬±ÜÃâµçÔ´µØÏß˲¼ä´óµçÁ÷µ¼Öµĵçλ²»µÈ»òµçÔ´µØÏßËÉÍѵÈÎÊÌâËð»µÍ¨Ñ¶½Ó¿Ú ¡£
1660039809796248.jpg
˵Ã÷£º
¡¡¡¡Èô485·¢ËͶ˺ÍÎüÊÕ¶ËÊÕ·¢Æ÷¹²´óµØ»ò¹²µçÔ´µØ£¬Ôò·¢ËͶ˵ØÏß1ºÍÎüÊն˵ØÏß2¼ä±£´æ´óµØ×迹»òµ¼Ïß×迹Rg£¬Ïà¾à½ÏÔ¶µÄ´óµØ±£´æµØµçÊÆ²î£¬ÅþÁ¬485ÊÕÀÄõüµØÏߵĵ¼ÏßÉϱ£´æË²¼ä´óµçÁ÷ʱҲ½«±¬·¢Ë²¼äµÄÊÆ²î£¬·¢ËͶ˺ÍÎüÊն˵ØÏßÉϵı¬·¢µÄµçѹVc¾ÍÊÇ485¹²Ä£µçѹ ¡£Èô·¢ËͶ˵ÄÐźŵçѹΪVs£¬ÔòÎüÊն˵ÄÐźŵçѹΪVc+Vs£¬Õâ¿ÉÄܵ¼ÖÂÎÞ·¨Õý֪ʶ±ðÐźÅ£»ÈôVc+VsµÄµçѹÁè¼Ý485½Ó¿ÚµÄÄÍѹ£¬Ôò¿ÉÄܵ¼ÖÂ485ÊÕ·¢µç·Ë𻵠¡£
¡¡¡¡¶ø±¾¿îÇý¶¯ÓþßÓÐ485¹²Ä£µçѹ±£»¤¹¦Ð§£¬¿É½â¾ö¹²Ä£µçѹËð»µ485½Ó¿Úµç·ÎÊÌâ ¡£

¡ñ ¶àÖØ±£»¤Çå¾²¿É¿¿

¡¡¡¡µçѹ¡¢µçÁ÷¡¢Î¶Èʵʱ¼à¿Ø£¬¹ýÈÈ¡¢¹ýÁ÷¡¢¶Âת¡¢Òì³£´óµçÁ÷±£»¤¡¢RS485¹²Ä£µçѹ±£»¤¶àÖØ±£»¤£¬Çý¶¯Æ÷ÊÂÇé¸üÎȹ̿ɿ¿ ¡£
14¡¢¶àÖØ±£»¤.jpg

²úÆ·Ó¦ÓÃ

15¡¢²úÆ·Ó¦ÓÃ.jpg

ÊÖÒÕ²ÎÊý

16¡¢ÊÖÒÕ²ÎÊý.jpg

¡¡¡¡×¢£º¶î¶¨µçÁ÷Ϊ³£ÎÂͨÀý͸·çÇéÐγ¤Ê±¼äÏÞÁ÷¶Âתºó¹¦ÂʹÜÖÜΧζȲ»Áè¼Ý85¡æµÄµçÁ÷ ¡£

µä·¶Ó÷¨

  1. µ¥µçλÆ÷Õ¼¿Õ±Èµ÷Ëٵ㶯¿ØÖƵĽӷ¨

17¡¢µ¥µçλÆ÷.jpg
¡¡¡¡µã¶¯¿ØÖÆ·½·¨Ê¹ÓõçλÆ÷µ÷ËÙʱÐ轫´¥·¢·½·¨ÉèÖÃΪµã¶¯·½·¨£¬ÊÂÇéÀú³ÌΪ£º°´ÏÂB1£¬µç»úÕýת£¬Ê¹ÓõçλÆ÷µ÷ËÙ£»B1µ¯Æð£¬µç»ú×èÖ¹£»µ±ÕýתÏÞλºóµç»ú×èÖ¹£¬ÔÙ°´B1ÎÞЧ£»°´ÏÂB2£¬µç»ú·´×ª£¬Ê¹ÓõçλÆ÷µ÷ËÙ£»B2µ¯Æð£¬µç»ú×èÖ¹£»µ±·´×ªÏÞλʱµç»ú×èÖ¹£¬ÔÙ°´B2ÎÞЧ ¡£

  2. Ë«µçλÆ÷Õ¼¿Õ±Èµ÷ËٵĽӷ¨

18¡¢Ë«µçλÆ÷.jpg
¡¡¡¡´Ë½Ó·¨¿ÉʵÏÖʹÓõçλÆ÷¶Ôµç»úÕý·´×ª»®·Öµ÷ËÙ£¬Í¨¹ý¿ª¹Ø¿ØÖƵç»úʹÄܺÍÇл»µç»úת¶¯Æ«Ïò£¬Í¨¹ýÏÞλ¿ª¹Ø¶ÔÕý·´×ªÏÞλ ¡£

  3. PLCÄ£ÄâÁ¿×Ô²âËÙ±Õ»·µ÷ËÙ·½·¨µÄ½Ó·¨

19¡¢PLCÄ£ÄâÁ¿.jpg
¡¡¡¡´Ë½Ó·¨¿ÉʵÏÖͨ¹ýPLCÄ£ÄâÁ¿¶Ôµç»úµ÷ËÙ£¬Í¨¹ý¼ÌµçÆ÷/¾§Ìå¹ÜÇл»µç»úת¶¯Æ«Ïò£¬Í¨¹ýÏÞλ¿ª¹Ø¶ÔÕý·´×ªÏÞλ ¡£µ±Ä£ÄâÁ¿AOµçѹֵΪ0V ʱ£¬µç»úͣת£»µ±AOµçѹֵΪ0¡«10V ʱ£¬Êä³ö»»ÏòƵÂÊÓëAO µçѹֵ³ÉÕý±È ¡£Í¨¹ýƵÂÊ·´Ïìµ÷ÀíµçÁ÷¾Þϸ£¬ÊµÏÖÎÈËÙ ¡£

  4. µ¥Æ¬»úPWMÐźÅÍâ½Ó±àÂëÆ÷±Õ»·µ÷ËٵĽӷ¨

20¡¢µ¥Æ¬»úPWM.jpg
¡¡¡¡´Ë½Ó·¨µÄÊÂÇéÀú³ÌΪ£ºµ¥Æ¬»úµÄµçÔ´µØ½ÓÇý¶¯Ä£¿éµÄCOM¿Ú£»IN1½Å½Óµ¥Æ¬»úµÄPWMµÄÊä³ö£¬ÓÃÓÚµ÷ËÙ£»IN2ºÍIN3Ó뵥Ƭ»úµÄÁ½¸öIOÏàÁ¬£¬¿ØÖƵç»úÕý·´×ª¼°½ôÆÈÖÆ¶¯ ¡£±àÂëÆ÷EB¡¢EA½Ó±àÂëÆ÷B¡¢A£¬COM½ÓÔöÁ¿±àÂëÆ÷µÄµçÔ´¸º¼«£»5V0½ÓÔöÁ¿±àÂëÆ÷µÄµçÔ´Õý¼«£»×÷ΪÂö³å·´ÏìÐźÅ ¡£

  5. µ¥Æ¬»úÂö³åÐźÅÍâ½Ó±àÂëÆ÷λÖÿØÖƵĽӷ¨

21¡¢µ¥Æ¬»úÂö³åÐźÅ.jpg
¡¡¡¡´Ë½Ó·¨Í¨¹ýÂö³åÐźŶԵç»ú¾ÙÐÐλÖÿØÖÆ ¡£IN1 ½ÓÂö³åÐźſØÖƵç»ú²½½øÁ¿£¬²½½øÁ¿=ÊäÈëÂö³å¸öÊý¡ÁÂö³åÐźű¶ÂÊ£»IN2 ¿ØÖƲ½½øÆ«Ïò£»IN3 ¿ØÖƵç»ú½ôÆÈ×èÖ¹£»EB¡¢EA½Ó±àÂëÆ÷B¡¢A£¬COM½ÓÔöÁ¿±àÂëÆ÷µÄµçÔ´¸º¼«£»5V0 ½ÓÔöÁ¿±àÂëÆ÷µÄµçÔ´Õý¼« ¡£

  6. Ô¤ÉèÕý·´×ªËÙÂÊ×Ô±£¿ØÖƵĽӷ¨

22¡¢Ô¤ÉèÕý·´×ª.jpg
¡¡¡¡´Ë×Ô±£´¥µã¿ØÖÆ·½·¨µÄÊÂÇéÀú³ÌΪ£º°´Ò»ÏÂB1£¬µç»úÕýת£¬°´Ò»ÏÂB3»òÖ±µ½ÕýתÏÞλ¿ª¹Ø´¥·¢µç»ú²Å×èÖ¹£¬Ò²¿ÉÒÔ°´Ò»ÏÂB2Èõç»ú·´×ª£»°´Ò»ÏÂB2£¬µç»ú·´×ª£¬°´Ò»ÏÂB3»òÖ±µ½·´×ªÏÞλ¿ª¹Ø´¥·¢µç»ú²Å×èÖ¹£¬Ò²¿ÉÒÔ°´Ò»ÏÂB1Èõç»úÕýת£»B3ΪǿÐÐ×èÖ¹°´¼ü ¡£ÔÚÔ˶¯Àú³Ì£¬ÎÞÂÛµç»úÕýת»ò·´×ª£¬¾ù¿Éͨ¹ý°´ÏÂÇ¿ÐÐ×èÖ¹°´¼üB3ʹµç»úͣת ¡£ ÈôÊÇÇéÐÎ×ÌÈŽϴ󣬿ÉÔÚAI1ÓëCOM¼°AI2ÓëCOMÖ®¼ä¸÷²¢ÁªÒ»¸ö104µÄµçÈÝ ¡£ÈôÊÇʹÓÃÐîµç³Ø¸øÇý¶¯Æ÷¹©µç£¬½¨ÒéÔÚµçÔ´½Ó¿Ú´®ÁªÒ»Ö»10AµÄ°ü¹ÜË¿ ¡£

  7. 485¶àÕ¾µã¿ØÖƵĽӷ¨

23¡¢485¿ØÖƽӷ¨.jpg
¡¡¡¡Ã¿Ì¨Çý¶¯Æ÷µÄ485ͨѶÏß°´A-A¡¢B-BµÄ·½·¨²¢Áªºó¸úһ̨485Ö÷Õ¾ÏàÁ¬£¬485Ö÷վͨ¹ýÇý¶¯Æ÷ÉèÖõĴÓÕ¾µØµãÀ´¶Ôÿ̨Çý¶¯Æ÷×ÔÁ¦²Ù×÷ ¡£Ã¿Ò»¸öÇý¶¯Æ÷ÉèÖõĵصãӦΨһ£¬²»¿ÉÓëÆäËüÇý¶¯ÖØÊÓ¸´ ¡£

ʾÀý³ÌÐò

  ÌṩPC»úʾÀý³ÌÐò£¬¿ÉÓÃÀ´ÉèÖòÎÊý¡¢µ÷ÊÔµç»úµÈ ¡£

25¡¢Ê¾Àý³ÌÐò.jpg

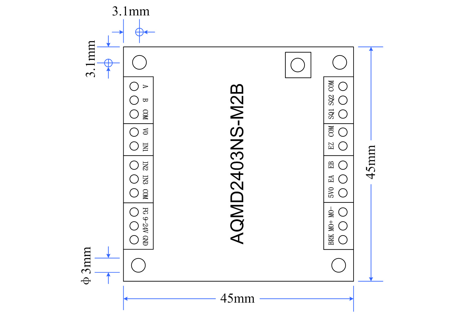
 Çý¶¯Æ÷³ß´ç

26¡¢²úÆ·³ß´ç.jpg

 ¸½£ºÑ¡ÐͲο¼

AQMD_NS-M2B/AQMD_NS-E2BϵÁÐÖ±Á÷ÓÐË¢µç»úÇý¶¯Æ÷Ñ¡Ðͱí

27¡¢Ñ¡Ðͱí.jpg
ÍøÕ¾µØÍ¼